1 引 言
LED以其功耗低、發光效率高、使用壽命長等優點,在照明、背光等領域取得了越來越廣泛的應用。LED凈化燈的亮度與工作電流成正比,為了維持亮度的穩定,需要一個穩定的恒流電源為其供電。在電源管理方面,DC/DC變換器具有體積小、功耗低、效率高、使用方便等優點,因此應用十分廣泛。基于DC/DC升壓變換器的LED凈化燈驅動電路也成為一種比較經典的LED驅動方式。DC/DC變換器有多種控制方式,其中峰值電流模式由于具有較快的響應速度等優點,在工業界獲得廣泛的應用。但是,當占空比大于50%時,電路容易發生次諧波振蕩,需要引入斜坡補償電路進行消除。
本文第2節介紹電路的具體實現方式,第3節給出電路的仿真波形,第4節對全文進行總結。
2 電路設計與分析
圖1所示為本文設計的LED驅動電路,由四部分組成:斜坡信號產生電路、電流采樣與疊加電路、誤差放大器、PWM 比較器。

圖1 基于DC/DC變換器的LED驅動電路
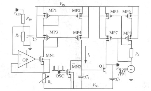
2.1 斜坡信號產生電路
圖2所示為斜坡信號產生電路,其中,OP為箝位運算放大器。可以看出,基準電壓VREF經過電阻R10與R11分壓后,再經運算放大器的電壓箝位后作用于可調電阻RL上,產生一個恒定的電流。電流經過MP1~MP4四個MOS管的鏡像后,成為對電容進行充電的恒定電流信號。由電路結構可以算出此電流的大小為:

由于基準電壓為恒定電壓,電阻R10與R11相互匹配,電阻RL為正溫度系數的多晶電阻與負溫度系數的阱電阻串聯形成的近似零溫度的電阻,所以,此電流近似為一個基準電流。電流作用于電容上,通過方波信號對電容充放電的控制,便可產生鋸齒波電壓信號,且鋸齒波的斜率m0為:

鋸齒波電壓被抬高VEB1后,輸入到信號疊加模塊。VSLOPE端電壓為一個鋸齒波電壓,因此,圖2中,電流鏡采用一種自偏置結構。相對于普通的共源共柵電流鏡,這種電流鏡具有更大的輸出電壓擺幅,可滿足VSLOPE端電壓變化范圍寬的要求。

圖2 斜坡信號產生電路。
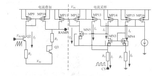
2.2 電流采樣與疊加電路
相比于電壓模式,電流模式具有更快的瞬態響應速度。不過,在占空比大于50%時,電路易發生次諧波振蕩,需要額外添加斜坡補償電路來克服。
本文采用采樣電路輸出信號與斜坡補償信號相疊加的補償方式。
電流采樣與疊加電路如圖3所示。電流采樣電路實際上為一個二級運放,MN3與MN4為運放的第一級,組成共柵極的差分對結構,并以電流鏡MP14與MP15作為有源負載。MN5為運放的第二級,為一個共源極結構,且以MP12作為有源負載。

圖3 電流采樣與疊加電路。
MP1的作用是為第二級提供一個靜態電流,使得當CS端為零時,第二級仍能有一個靜態電流,保持第二級的開啟。具體原理為:MP14與MP15的尺寸相同,則電流I5與I6相等;同時,MN3與MN4的尺寸相同,它們的柵源電壓也應相同。從圖3可以看出,MN3與MN4的柵電位相同,這就決定了它們的源極電壓也應相同,即電阻R4與R5上的壓降相同,從而電流I7與I8相等。由于I7=I4+I5,I8=I3+I6,結合前面的分析I5=I6,便可以得到I3=I4.通過上面的分析可知,運放第二級的電流由MP13設定,通過改變MP13與MP16的電流鏡像比例,調節第二級靜態電流的大小。
當CS端有一個大小為VCS的值時,則應該使運放第一級的輸出增加,從而使電流I3增大。具體分析為,由于I4與I5大小一定,則電阻R4上的壓降一定,CS端電壓增加了VCS后,R4上的電壓也增加VCS,R5上的電壓也應該增加VCS.這就要求R5上的電流增加VCS/R5,由于I6保持不變,則應該使I3增加VCS/R5.VCS為電感電流作用于一個小的采樣電阻上產生的壓降,VCS的變化情況反映了電感電流的變化情況,且VCS變化大小完全正比于電感電流的變化大小。假設采樣電阻為RS,電感電流的斜率為K,則I3的斜率為KRS/R5.設電感電流的上升斜率和下降斜率分別為K1與K2,對應的I3的斜率分別為K1RS/R5和K2RS/R5.電流疊加模塊由MP10、MP11、R3和Q3組成。從圖2可以看出,VSLOPE比電容C1上的電壓高一個VBE,而在圖3中又下降了一個VBE后作用于R2上,相當于電容C1上的電壓直接作用于電阻R2上。結合(2)式,電流I2的斜率m1為:

電流通過鏡像又作用于電阻R3之上,即可得到補償的斜率m:

MP11上的電流為采樣電路的采樣放大電流,此電流作用于電阻R3上,可得到此電壓的斜率m′:

電感電流的下降斜率經過采樣電路后轉換為:

由文獻[3]~[4]可知,為保證電路不發生次諧波振蕩,應使m >1/2m′2 ,即:

約去R3可得:

補償后的信號經過Q3 抬升VBE之后,產生RAMP信號,輸入到PWM,與誤差放大器的輸出進行比較。
2.3 誤差放大器誤差放大器的作用是采樣反饋電壓,輸出一個控制信號,然后輸入到PWM 比較器中控制電流峰值的大小。LED凈化燈工作時,由于工藝偏差,每一個LED上的正向壓降都不會相同,這樣每一路LED電壓采樣點的電壓大小都不會相同。為了保證每一路LED都能正常工作,電路應采樣電壓最低的信號輸入到誤差放大器中,與基準電壓進行比較。本文誤差放大器具有自選擇功能,電路結構如圖4所示。

圖4 誤差放大器。
由于輸入對管為PMOS管,偏置電流會流向柵壓最低的那一路,而柵壓相對較高的其他三路便會關斷,保證電路正常工作時誤差放大器的反相輸入端只有一個晶體管在工作。
從圖4可以看到,電路為單級折疊式共源共柵結構,這種結構有很高的輸出電阻,保證了電路的高電壓增益。結合模擬集成電路的基本知識,可得到電路的靜態增益:

其中,gm為輸入差分對管的跨導,//代表電阻并聯,gm14和gm35分別為晶體管MN14和MP35的跨導,ro1,ro14,ro35,ro30分別為差分輸入對管和MN14,MP35,MP30的輸出電阻。
本文的誤差放大器只有一個主極點,在放大器的輸出端,它與輸出端的電阻以及電容大小有關,用p 表示其大小:

其中,C 為輸出端點的電容大小,在開環狀態下主要為晶體管寄生電容。
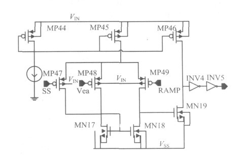
2.4 PWM 比較器
PWM 比較器將經斜坡補償后的電流采樣信號與誤差放大器輸出的控制信號進行比較,當電流采樣電路輸出的峰值信號達到控制信號的值時,PWM信號發生翻轉,產生一個很窄的脈沖信號,觸發功率管關斷。本文設計的PWM 比較器如圖5所示,相比于普通的比較器,差分對的左側多出一個晶體管MP47.

圖5 PWM 比較器。
電路啟動時,由于系統的輸出電壓很低,會使誤差放大器的輸出信號很高,導致柵驅動信號占空比達到100%,造成DC/DC輸出產生一個很高的脈沖。增加SS端以后,在啟動時,SS端的電壓信號會緩慢上升,屏蔽掉很高的Vea控制信號,使柵驅動信號的占空比慢慢上升,實現電路的軟啟動。當軟啟動成功以后,SS端的電壓也會上升到高于Vea,從而關斷MP47,電路進入正常的工作狀態。